ZERO LIQUID DISCHARGE (ZLD)

Zero Liquid Discharge (ZLD) is an advanced water treatment process that ensures no liquid waste is discharged into the environment. Instead, it recycles and reuses all wastewater, converting it into clean water and solid waste, making it a sustainable solution for industries aiming to minimize environmental impact.

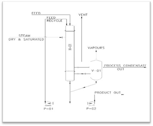
MULTIPLE EFFECT EVAPORATOR

A multiple effect evaporator (MEE) is a type of industrial evaporation system used to concentrate a liquid solution. The MEE can be only falling film type or can be only forced circulation type or can be combination of falling film and forced circulation. In MEE the vapor generated in one effect is used to heat the heating medium for next effect, and so on. This design allows for efficient energy utilization, making it an economically viable solution for concentrating liquids.
Energy Efficiency , High Concentration Ratios , Versatility , Heat Integration , Environmental Friendliness etc are few benefits of Multiple Effect Evaporators.
The energy savings and increased efficiency often make MEEs a favorable choice in many industrial application

Advantage of using Thermovapour Recompressor (TVR) in MEE.

TVR gives highest steam efficiency than direct steam heating as part of the vapours are sucked and combined with motive steam used back again as heating media .
Eg. If we consider Two effect evaporator with thermos vapour recompression (TVR) , it will require 33% less steam than the conventional Two effect evaporator. This means , the steam usage for the Two effect with TVR is comparable to that of Three effect evaporator.

Any Question?

“Achieve Zero Wastewater Discharge – Get Started Today!”

Typical schemes offered in MEE :-

1) Falling Film Evaporators
2) Forced Circulation Evaporators
3) Multi-Effect Evaporator(MEE) i.e. Combination of Falling & Forced .
4) MEE with Pusher Centrifuge
5) MEE with Agitated Thin Film Dryer(ATFD)
6) MEE with Pusher and ATFD.
7) Mechanical Vapour Recompressor (MVR) based MEE

ZERO LIQUID DISCHARGE (ZLD)

Implementing Zero Liquid Discharge using Multiple Effect Evaporators can significantly reduce the environmental impact of industrial wastewater discharge and promote sustainable water management practices. However, it’s important to note that ZLD systems are complex and require careful planning, design, and operation to achieve optimal efficiency and compliance with environmental regulations.
MEE can only concentrate a solution from x % concentration to y% concentration.

To achieve ZLD certain equipment’s/systems like Pusher centrifuge and Agitated Thin Film Dryer. (ATFD)
MEE with Pusher centrifuge is used in case the system consists of crystalline solids.

MEE with ATFD is used when the effluent contains non crystalline solids or when the organics in effluent are on higher side.
MEE in combination with pusher centrifuge and ATFD is used when majority of salts are crystalline which are removed in pusher centrifuge and remaining non-crystalline and organics are removed in ATFD.

"Transform Your Wastewater into a Valuable Resource !"

This will close in 0 seconds

This will close in 0 seconds

This will close in 0 seconds

This will close in 0 seconds

This will close in 0 seconds

This will close in 0 seconds

This will close in 0 seconds

This will close in 0 seconds

This will close in 0 seconds